
云深之无迹
纵是相见,亦如不见,潇湘泪雨,执念何苦。
1682篇原创内容
公众号
今天有位工程师在评论区问了一个问题,我觉得非常有意思,可以分析一下:
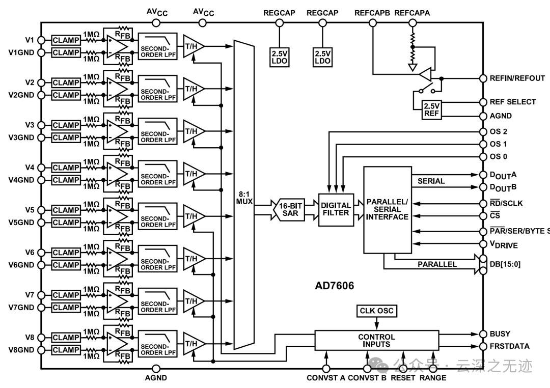
老哥拿手ADC就是这个AD7606了
这个问题可以这样问:假设模拟地 layout 是完美的(所有模拟电路地等电位),那么地线上有共模噪声波动,这是否对 ADC 采样精度有影响?
为了避免长篇大论,可以先简单的解读一下:只要所有关键部分(信号源、参考电压、ADC)都“站在同一块地板上”,这块“地板”整体上下晃(即地噪声),它们之间的相对位置不变——ADC 只看输入信号和参考电压之间的相对电压,所以不会出错。
就像你拿尺子在电梯里测身高,电梯整体升降不重要,只要你和尺子站在一起,量出来的身高不会变。
现实中,“电梯”不是理想的:
尺子连在电梯外面(参考源的地和 ADC 的地不一样),那你量身高的时候参考点会错;
你和尺子不在同一个平台(信号的地和 ADC 的地不同),那你看到的身高会变短或变长;
地板下还有其他人在跑跳(数字电路、功率器件),你这块地也会被拉扯、扰动,这就是所谓的地回流干扰。
如果你真的能做到 所有模拟相关部分都严格共地,即使这块地有噪声,它们一起漂,不会影响采样精度;但现实中很难做到这一点,绝大多数误差都来自“地不完全一致”;
上面说的AD7606 是一个带内部或外部可选参考的多通道同步采样 ADC,其模拟输入是差分结构,且参考输入与模拟地之间形成“基准电位差”。
AD7606
假设存在如下情况:
组件 | 地电位 | 电压参考 |
|---|---|---|
模拟输入 Vin | 地电位 + ΔVg | 电压相对于地 |
参考电压 Vref | 地电位 + ΔVg | 电压相对于地 |
ADC 模拟地 AGND | 地电位 + ΔVg | 同样漂移 |
此时 Vin 与 Vref 的差值是恒定的,系统仍然能正常采样,共模地电位漂移不影响 ADC 精度。原因是:所有节点都在相同地电位偏移下运行,构成一个等势漂移参考系,没有电位差变化 → 无测量误差。
虽然上述理想化假设成立,但实际设计中,共模地噪声很难完全一致地影响所有节点。
参考源(如 ADR4525)通过 PCB 上长路径接地,而 ADC AGND 近地;那么参考源看到的是 “地1”,ADC 看到的是 “地2”;
一旦地电流造成微小差值,就会使 Vref 看起来在变化(即 Vref to AGND 变化)→ 量化基准波动 → 精度下降。
即便你参考电压本身极稳,但ADC 看到的是参考与自身地之间的电位差,一旦地线不稳,SNR 和 INL/DNL 都会退化。
输入通道的信号来自远端传感器,AGND 回路径远;那么 Vin 到 AGND 的差值中会混入地电流压降/噪声;ADC 实际测得的输入差分电压已包含地回路误差。
很多地噪声来自:
数字开关(MCU/FPGA)的电流突变;电源负载切换造成的地回流波动;共模 EMI 耦合回地层。
哪怕模拟电路区在 layout 中隔离良好,但若数字地和模拟地最终在电源层或接头汇合,仍可能形成“跨域耦合”,影响模拟测量。
这些是通俗的说说,可以使用数学工具比划一下:
一个理想 ADC 输出数字码 D_out 满足:
其中:
:模拟输入信号;
:参考电压;
:ADC 芯片所“看到的”模拟地电位;
:ADC 分辨率。
设地电位有一个随时间变化的噪声项 ,对所有模拟相关电路而言:
代入:
所有与地有关的节点都受同一噪声项影响,最终在 ADC 中相互抵消 → 无误差引入。
考虑非理想情况:
,两者之间存在差值
则:
代入 ADC 模型中:
展开一阶泰勒级数(假设 ):
可以看到:
参考源地电位相对 ADC 地有偏差,会引入一个 **相对误差项 **,即使信号本身不变,也会造成量化输出的误差。
若信号是通过远程传感器送来,其信号参考地为 ,即与 ADC 地电位存在瞬时差异 ,那么:
代入:
结果中包含了 *“非期望误差项” *,这可能来自:地回路电流;共模噪声耦合;长线传感器地不稳定。
所有地等电位漂移(共模干扰),没有无影响 ,因为差值相抵消;
参考电源地 ≠ ADC 地 ,有影响 ,因为引入 相对误差;
输入信号参考地 ≠ ADC 地 有影响 ,引入 绝对误差;
带地电流的回流路径也有影响,可以通过地压降影响 ADC 输入或 Vref。
在理想模拟地等势漂移的前提下,共模地噪声对 AD7606 这类 ADC 的测量精度几乎没有影响。
但在现实设计中,地电流、参考漂移、回路差异会打破这种等势条件,因此:地噪声确实可能通过 Vref 和 Vin 路径耦合进 ADC 采样链路;这会直接导致参考不稳定或输入基准偏移,影响采样精度。