
创龙科技SOM-TLT536是一款基于全志科技T536MX-CEN2/T536MX-CXX四核ARM Cortex-A55 + 玄铁E907 RISC-V异构多核处理器设计的全国产工业核心板,Cortex-A55核心主频高达1.6GHz。核心板CPU、ROM、RAM、电源、晶振等所有元器件均采用国产工业级方案,国产化率100%。
核心板通过邮票孔(LCC) + 平面网格阵列(LGA)连接方式引出17x UART、4x CAN-FD、2x GMAC、Local Bus、USB3.1/PCIe 2.1、2x USB2.0、6x SPI、LVDS Display、RGB Display、MIPI DSI、4x MIPI CSI、Parallel CSI等接口,内置2TOPS NPU、8M@30fps ISP,并支持4K@25fps H.264视频编码。核心板经过专业的PCB Layout和高低温测试验证,支持选配屏蔽罩,质量稳定可靠,可满足各种工业应用环境要求。
用户使用核心板进行二次开发时,仅需专注上层运用,可快速进行产品方案验证,降低开发难度、缩短研发周期,从而降低综合成本、抢占市场先机。





多串口服务器
边缘计算网关
数据采集器
工商业储能EMS
激光打标机
工业PLC
硬件框图


硬件参数
表 1

备注:部分引脚资源存在复用关系。
软件参数
表 2
操作系统 | Buildroot-2022.05(Linux-5.10.198、Linux-RT-5.10.198)Ubuntu(Linux-5.10.198、Linux-RT-5.10.198) | |
|---|---|---|
图形界面开发工具 | Qt-5.15.8 | |
软件开发套件 | T536_Tina5.0_AIOT-V1.1(Linux) | |
驱动支持 | LPDDR4X | eMMC |
UART | RTC | |
LED | KEY | |
SD | CAN-FD | |
Ethernet | USB2.0 | |
Local Bus | NVMe | |
PCIe | Watchdog | |
4G/5G | WiFi/BT | |
HP OUT/MIC IN | LVDS LCD | |
Touch Screen | MIPI LCD/HDMI OUT | |
GPADC | ||
提供核心板引脚定义、核心板3D图形文件、可编辑底板原理图、可编辑底板PCB、芯片Datasheet,协助国产元器件方案选型,缩短硬件设计周期;
提供系统固化镜像、文件系统镜像、内核驱动源码,以及丰富的Demo程序;
提供完整的平台开发包、入门教程,节省软件整理时间,让应用开发更简单;
提供详细的ARM + FPGA异构多核架构通信教程,解决ARM + FPGA异构多核开发瓶颈。
开发案例主要包括:
Linux、Linux-RT、Qt应用开发案例
Ubuntu操作系统演示案例
NPU开发案例
OpenCV、视频硬件编解码开发案例
Linux + Baremetal(裸机)/FreeRTOS非对称AMP开发案例
ARM与RISC-V核间通信开发案例
Docker容器技术、MQTT通信协议演示案例
4G/5G/WiFi/Bluetooth/B码授时开发案例
IgH EtherCAT、USB网口拓展开发案例
基于Local Bus、PCIe、SPI的ARM + FPGA通信开发案例
备注:部分案例现阶段可能暂未发布。
工作环境
表 3
环境参数 | 最小值 | 典型值 | 最大值 |
|---|---|---|---|
工作温度 | -40°C | / | 85°C |
工作电压 | / | 5.0V | / |
表 4
工作状态 | 电压典型值 | 电流典型值 | 功耗典型值 |
|---|---|---|---|
空闲状态 | 5.0V | 0.23A | 1.15W |
满负荷状态 | 5.0V | 0.42A | 2.10W |
备注:功耗基于TLT536-EVM评估板(CPU为T536MX-CXX,ARM Cortex-A55主频为1.512GHz)运行Buildroot系统,在自然散热状态下测得。测试数据与具体应用场景有关,仅供参考。
空闲状态:系统启动,评估板不接入其他外接模块,不执行程序。
满负荷状态:系统启动,评估板不接入其他外接模块,运行测试命令"stress-ng --cpu 4 --vm 4 --vm-bytes 64M --timeout 86400s &",4个ARM Cortex-A55核心的资源使用率约为100%。
表 5
PCB尺寸 | 45mm*45mm |
|---|---|
PCB层数 | 10层 |
PCB板厚 | 1.6mm |
顶层最高元器件高度 | 1.2mm |
核心板高度 | 2.8mm |
重量 | 9.8g |
备注:
顶层最高元器件高度:指核心板最高元器件水平面与PCB正面水平面的高度差。核心板最高元器件为电源芯片U4。
核心板高度 = PCB板厚 + 顶层最高元器件高度。

表 6
配置 | 型号 | CPU | 主频 | eMMC | LDDR4X | 温度级别 | 是否为全国产 |
|---|---|---|---|---|---|---|---|
S(标配) | SOM-TLT536-64GE8GD-I-A1.1 | T536MX-CXX | 1.6GHz | 8GByte | 1GByte | 工业级 | 是 |
A | SOM-TLT536-128GE16GD-I-A1.1 | T536MX-CXX | 1.6GHz | 16GByte | 2GByte | 工业级 | 是 |
B | SOM-TLT536-256GE32GD-I-A1.1 | T536MX-CEN2 | 1.6GHz | 32GByte | 4GByte | 工业级 | 是 |
备注:标配为SOM-TLT536-64GE8GD-I-A1.1。
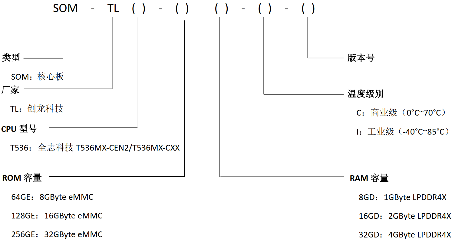
型号参数解释

表 7
名称 | 数量 | 备注 |
|---|---|---|
SOM-TLT536核心板 | 1个 | / |
协助底板设计和测试,减少硬件设计失误;
协助解决按照用户手册操作出现的异常问题;
协助产品故障判定;
协助正确编译与运行所提供的源代码;
协助进行产品二次开发;
主板定制设计
核心板定制设计
嵌入式软件开发
项目合作开发
技术培训
想了解更多资料,可前往创龙科技官网或微信公众号。
原创声明:本文系作者授权腾讯云开发者社区发表,未经许可,不得转载。
如有侵权,请联系 cloudcommunity@tencent.com 删除。
原创声明:本文系作者授权腾讯云开发者社区发表,未经许可,不得转载。
如有侵权,请联系 cloudcommunity@tencent.com 删除。