首页
学习
活动
专区
圈层
工具
发布
社区首页 >专栏 >一款双极锁存型霍尔位置传感器

一款双极锁存型霍尔位置传感器

作者头像
芯动大师
发布2023-12-21 08:25:45
发布2023-12-21 08:25:45
3700
举报
文章被收录于专栏:防止网络攻击防止网络攻击

一、产品特点

  • 双极锁存型霍尔效应传感器
  • 宽的工作电压范围: 3.8V~30V
  • 集电极开路输出 最大输出灌电流:50mA
  • 电源反极性保护
  • 工作温度:-40℃~+125℃
  • 封装形式: SOT23-3

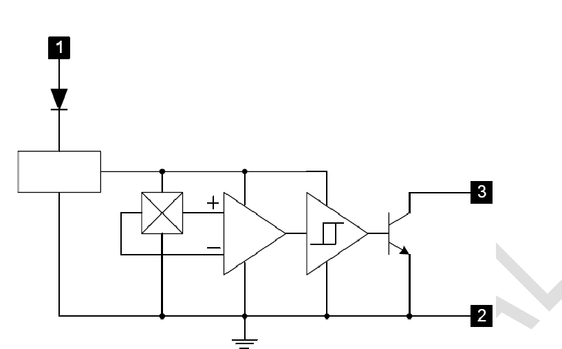
TX412是一款集成霍尔效应传感器,主要应用于直流无刷电机的电子信号交换。其内部包含感应磁场的霍尔电压发生器、霍尔信号放大器、提供滞回作用和清除噪声的施密特电路以及集电极开路输出。内置的电压稳压器为内部电路提供具有温度补偿的偏置电压,使其具有宽的工作电源输入范围。

北极(N)足够的磁场强度垂直作用于芯片表面,将使输出端输出低电平,而南极(S)足够的磁场强度将使输出端输出高电平。即当B>Bop 时,输出端管脚是闩锁低电平;当B<Brp 时,输出端输出进入高电平。

二、应用场合

  • 直流无刷电机
  • 位置控制
  • 安全报警装置
  • 转速检测
  • 编码器

三、电特性

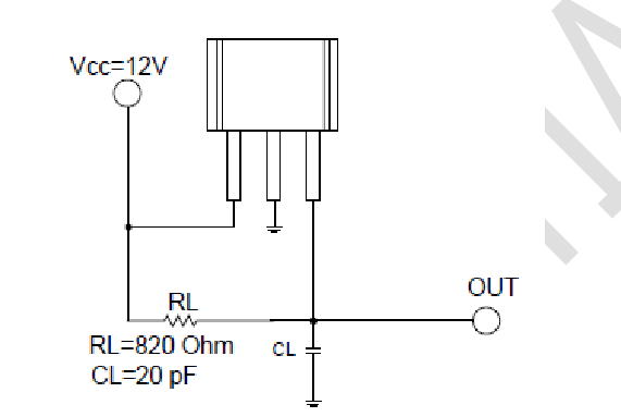
四、测试电路

本文参与 腾讯云自媒体同步曝光计划,分享自作者个人站点/博客。
原始发表:2023-12-20,如有侵权请联系 cloudcommunity@tencent.com 删除

本文分享自 作者个人站点/博客 前往查看

如有侵权,请联系 cloudcommunity@tencent.com 删除。

本文参与 腾讯云自媒体同步曝光计划  ,欢迎热爱写作的你一起参与!

评论
登录后参与评论
0 条评论
热度
最新
推荐阅读
目录
  • 一、产品特点
  • 二、应用场合
  • 三、电特性
  • 四、测试电路
领券
问题归档专栏文章快讯文章归档关键词归档开发者手册归档开发者手册 Section 归档